Film Packaging Machine

Film Packaging Machine
Securing controlled stops in case of power failures.
Situation

A coordinated multi-axis drive system controls the film feed, sealing, and cutting processes of the machine.

Problem

A power failure causes the machine to stop uncontrollably. This leads to torn films. Restarting can take hours and causes high costs.

Intention

Easy to ensure controlled stops in the event of a power failure to avoid long downtimes and high failure costs.

Solution

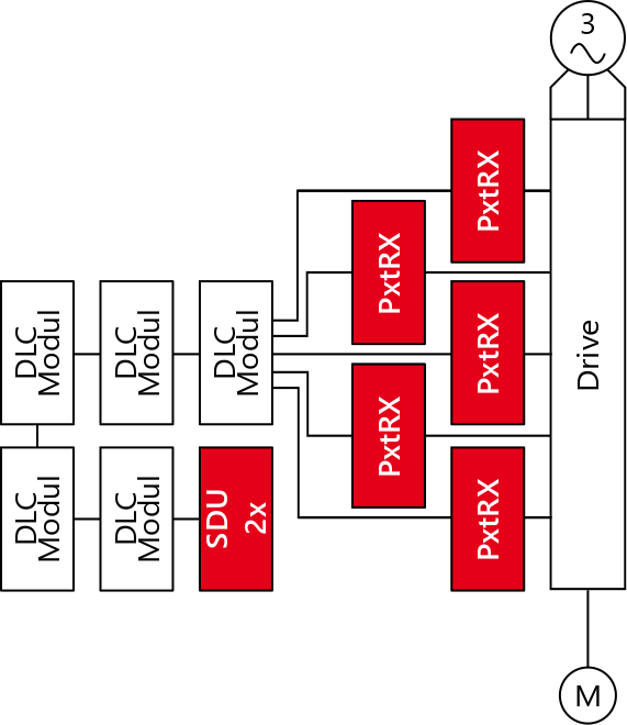
The active energy management system KTS-U with multiple PXTRX and energy storage units supplies the drives with sufficient energy for controlled stopping.

Use of the SDU as a safe discharge unit.

Further Advantages

Compensating voltage dips

The power failure is bridged so that the machine can continue to run without interruption.

Controlled stops on power failure

In the event of prolonged failure, the packaging machine is shut down in a controlled manner and moved to a safe position so that no films are torn.

Increasing productivity

The system can be restarted immediatly without time-consuming setup times.

Further Advantages